DTW (27-6CA2-24112000) термостат предохранительный
Принцип работы DTW (27-6CA2-24112000)
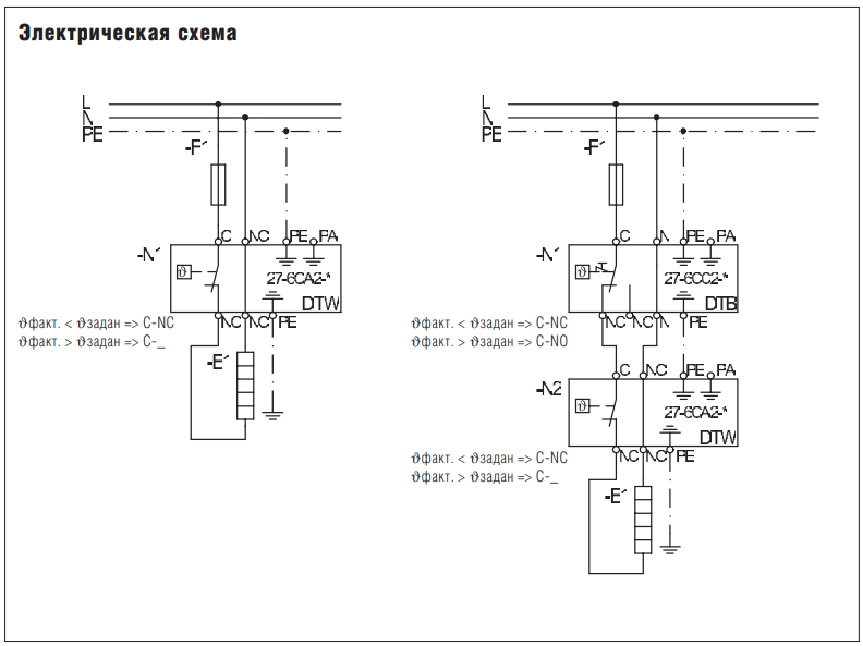
Температурное изменение на датчике вызывает изменение объема измерительной системы, заполненной жидкостью. Тем самым происходит движение мембраны, соединенной с механизмом передачи, и в действие приводится микропереключатель. Если температура датчика превышает установленное значение, то задействуется контакт.При превышении температуры ограничитель температуры полностью выключается. После падения температуры ограничитель можно разблокировать вручную. При повреждении измерительной системы (утечка) электрическая цепь полностью размыкается.
Преимущества DTW (27-6CA2-24112000)
- Коммутационная способность 22 A
- Используется непосредственно в зоне 1 и 2
- Прямой ввод в нагревательный контур
- Герметичный корпус
- Допуск ATEX, UL, CSA, FM



|
ID поста блога для комментариев
|
26886 |
|
Производитель
|
Bartec |
|
Страна производства
|
Германия |
|
Степень защиты по ГОСТ
|
IP65 |
|
Область применения
|
для резервуаров и емкостей, для трубопровода |
|
Тип монтажа
|
наружная установка |
|
Коллекция
|
Промышленные термостаты Bartec DTW |
|
Напряжение питания, В
|
250 |
|
Для взрывоопасных зон
|
да |
|
Маркировка взрывозащиты
|
II 2 GD Ex d IIC T6, Ex tD A21 IP6X T80°C |
|
Тип терморегулятора
|
промышленный термостат |
|
Диапазон регулирования температуры, ºС
|
-4...+163 |
|
Температура регулирования, от, ºС
|
-4 |
|
Температура регулирования, до, ºС
|
163 |
|
Модель
|
27-6CA2-24112000 |
Вы можете выбрать один из трёх вариантов оплаты:
При выборе варианта оплаты наличными, вы дожидаетесь приезда курьера и передаёте ему сумму за товар в рублях. Курьер предоставляет товар, который можно осмотреть на предмет повреждений, соответствие указанным условиям. Покупатель подписывает товаросопроводительные документы, вносит денежные средства и получает чек.
Также оплата наличными доступна при самовывозе из магазина, оплаты по почте или использовании постамата.
При оформлении заказа в корзине вы можете выбрать вариант безналичной оплаты. Мы принимаем карты Visa и Master Card. Чтобы оплатить покупку, вас перенаправит на сервер системы ASSIST, где вы должны ввести номер карты, срок действия, имя держателя.
Вам могут отказать от авторизации в случае:
- если ваш банк не поддерживает технологию 3D-Secure;
- на карте недостаточно средств для покупки;
- банк не поддерживает услугу платежей в интернете;
- истекло время ожидания ввода данных;
- в данных была допущена ошибка.
В этом случае вы можете повторить авторизацию через 20 минут, воспользоваться другой картой или обратиться в свой банк для решения вопроса.
Безналичным расчётом можно воспользоваться при курьерской доставке, использовании постамата или самовывоза из магазина.
Для оплаты вы можете воспользоваться одной из электронных платёжных систем:
- PayPal;
- WebMoney;
- Яндекс.Деньги.
Вас перенаправит на страницу платежного сервиса, следуя инструкциям, заполните правильную форму.
Наш интернет-магазин предлагает несколько вариантов доставки:
- курьерская;
- самовывоз из магазина;
- постаматы;
- почта России.
Вы можете заказать доставку товара с помощью курьера, который прибудет по указанному адресу в будние дни и субботу с 9.00 до 19.00. Курьерская служба, после поступления товара на склад, свяжется с вами и предложит выбрать удобное время доставки. Уточнит адрес.
Вы вскрываете упаковку при курьере, осматриваете на целостность и соответствие указанной комплектации. Если речь идёт об одежде, допустима примерка. Время осмотра и примерки ограничено 15 минутами. После вы можете отказаться частично или полностью от покупки.
Доставка бесплатна при заказе от 3000 рублей.
*Действует ли в вашем городе курьерская служба, уточняйте у менеджера магазина.
Вы можете забрать товар в одном из магазинов, сотрудничающих с нами. Список торговых точек, которые принимают заказы от нашей компании появится у вас в корзине. Когда заказ поступит в ваш город, вам придёт уведомление. Вы просто идёте в этот магазин, обращаетесь к сотруднику в кассовой зоне и называете номер заказа. Забрать покупку может ваш друг или родственник, который знает номер и имя, на кого он оформлен.
Постамат – это терминал с автоматизированной системой для хранения заказанных товаров. Удобство в том, что человек может забрать заказ в любое удобное время.
- в момент оформления заказа на сайте, вы выбираете удобный для себя постамат, если такая система работает в вашем городе;
- на ваш телефон или e-mail придет уникальный код, это значит, что товар доставлен в постамат;
- вы приходите к постамату, вводите полученный код и следует инструкциям автомата;
- оплачиваете заказ в терминале постамата;
- забираете товар.
Срок хранения в постамате 3 дня, но можно продлить ещё на аналогичный срок. Чтобы уточнить информацию и продлить время хранения зайдите на сайт нашего партнера, введите номер заказа и телефон и следуйте подсказкам на сайте.
Если в вашем городе не действует курьерская служба и постаматы, то вы можете заказать доставку через почту России. Сразу по прибытии товара, на ваш адрес придет извещение о посылке.
Перед оплатой вы можете оценить состояние коробки (не вскрывая): вес, целостность. Если вам кажется, что заказ не соответствует параметрам или коробка повреждена, попросите сотрудника почты составить акт о вскрытии. Вскрывать коробку самостоятельно вы можете только после того, как оплатили заказ.
Один заказ может содержать не больше 10 позиций и его стоимость не должна превышать 100 тысяч рублей.
Задать вопрос
Наличие
Почему выгодно купить DTW (27-6CA2-24112000) термостат предохранительный в интернет-магазине «Alfaopt.kz»?
Приобретая DTW (27-6CA2-24112000) термостат предохранительный в нашей компании, вы получаете гарантированное качество продукции, полную техническую поддержку на всех этапах и оперативную доставку по всему Казахстану.
Мы являемся прямым поставщиком и производителем, что позволяет нам предлагать конкурентные цены.
DTW (27-6CA2-24112000) термостат предохранительный соответствует всем заявленным характеристикам и поставляется с официальной гарантией.
Для получения подробной консультации или оформления оптового заказа свяжитесь с нашими менеджерами по тел. +7 (7172) 69-66-18
