ELTC/L-15 промышленный термостат
Преимущества ELTC/L-15
- Светодиодный дисплей работает при температуре до -25 °С
- Возможность программирования при температуре от 0 °С до +390 °С
- Для включения резистивной нагрузки 20А
- Сигнальный контакт
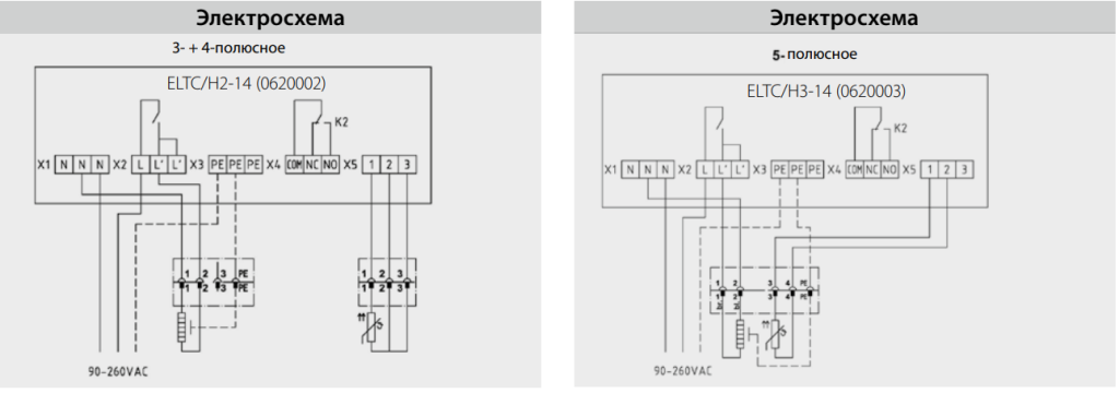
- 2-х или 3-х проволочный датчик Pt100
- Для подключения до 2-х нагревательных кабеле
- Рабочее напряжение 90-260 В перем. тока/ 50/60 Гц
Область применения ELTC/L-15
- Промышленное применение
- Обогреваемые шланги
- Нагревательные маты/ кожухи/ленты

|
ID поста блога для комментариев
|
26960 |
|
Производитель
|
Eltherm |
|
Страна производства
|
Германия |
|
Степень защиты по ГОСТ
|
IP20 |
|
Область применения
|
для трубопровода |
|
Тип монтажа
|
наружная установка |
|
Коллекция
|
Промышленные термостаты Eltherm ELT и ELTC |
|
Напряжение питания, В
|
220-240 |
|
Для взрывоопасных зон
|
нет |
|
Тип терморегулятора
|
промышленный термостат |
|
Диапазон регулирования температуры, ºС
|
0...+950 |
|
Температура регулирования, от, ºС
|
0 |
|
Температура регулирования, до, ºС
|
950 |
|
Модель
|
ELTC/L-15 |
Вы можете выбрать один из трёх вариантов оплаты:
При выборе варианта оплаты наличными, вы дожидаетесь приезда курьера и передаёте ему сумму за товар в рублях. Курьер предоставляет товар, который можно осмотреть на предмет повреждений, соответствие указанным условиям. Покупатель подписывает товаросопроводительные документы, вносит денежные средства и получает чек.
Также оплата наличными доступна при самовывозе из магазина, оплаты по почте или использовании постамата.
При оформлении заказа в корзине вы можете выбрать вариант безналичной оплаты. Мы принимаем карты Visa и Master Card. Чтобы оплатить покупку, вас перенаправит на сервер системы ASSIST, где вы должны ввести номер карты, срок действия, имя держателя.
Вам могут отказать от авторизации в случае:
- если ваш банк не поддерживает технологию 3D-Secure;
- на карте недостаточно средств для покупки;
- банк не поддерживает услугу платежей в интернете;
- истекло время ожидания ввода данных;
- в данных была допущена ошибка.
В этом случае вы можете повторить авторизацию через 20 минут, воспользоваться другой картой или обратиться в свой банк для решения вопроса.
Безналичным расчётом можно воспользоваться при курьерской доставке, использовании постамата или самовывоза из магазина.
Для оплаты вы можете воспользоваться одной из электронных платёжных систем:
- PayPal;
- WebMoney;
- Яндекс.Деньги.
Вас перенаправит на страницу платежного сервиса, следуя инструкциям, заполните правильную форму.
Наш интернет-магазин предлагает несколько вариантов доставки:
- курьерская;
- самовывоз из магазина;
- постаматы;
- почта России.
Вы можете заказать доставку товара с помощью курьера, который прибудет по указанному адресу в будние дни и субботу с 9.00 до 19.00. Курьерская служба, после поступления товара на склад, свяжется с вами и предложит выбрать удобное время доставки. Уточнит адрес.
Вы вскрываете упаковку при курьере, осматриваете на целостность и соответствие указанной комплектации. Если речь идёт об одежде, допустима примерка. Время осмотра и примерки ограничено 15 минутами. После вы можете отказаться частично или полностью от покупки.
Доставка бесплатна при заказе от 3000 рублей.
*Действует ли в вашем городе курьерская служба, уточняйте у менеджера магазина.
Вы можете забрать товар в одном из магазинов, сотрудничающих с нами. Список торговых точек, которые принимают заказы от нашей компании появится у вас в корзине. Когда заказ поступит в ваш город, вам придёт уведомление. Вы просто идёте в этот магазин, обращаетесь к сотруднику в кассовой зоне и называете номер заказа. Забрать покупку может ваш друг или родственник, который знает номер и имя, на кого он оформлен.
Постамат – это терминал с автоматизированной системой для хранения заказанных товаров. Удобство в том, что человек может забрать заказ в любое удобное время.
- в момент оформления заказа на сайте, вы выбираете удобный для себя постамат, если такая система работает в вашем городе;
- на ваш телефон или e-mail придет уникальный код, это значит, что товар доставлен в постамат;
- вы приходите к постамату, вводите полученный код и следует инструкциям автомата;
- оплачиваете заказ в терминале постамата;
- забираете товар.
Срок хранения в постамате 3 дня, но можно продлить ещё на аналогичный срок. Чтобы уточнить информацию и продлить время хранения зайдите на сайт нашего партнера, введите номер заказа и телефон и следуйте подсказкам на сайте.
Если в вашем городе не действует курьерская служба и постаматы, то вы можете заказать доставку через почту России. Сразу по прибытии товара, на ваш адрес придет извещение о посылке.
Перед оплатой вы можете оценить состояние коробки (не вскрывая): вес, целостность. Если вам кажется, что заказ не соответствует параметрам или коробка повреждена, попросите сотрудника почты составить акт о вскрытии. Вскрывать коробку самостоятельно вы можете только после того, как оплатили заказ.
Один заказ может содержать не больше 10 позиций и его стоимость не должна превышать 100 тысяч рублей.
Задать вопрос
Наличие
Почему выгодно купить ELTC/L-15 промышленный термостат в интернет-магазине «Alfaopt.kz»?
Приобретая ELTC/L-15 промышленный термостат в нашей компании, вы получаете гарантированное качество продукции, полную техническую поддержку на всех этапах и оперативную доставку по всему Казахстану.
Мы являемся прямым поставщиком и производителем, что позволяет нам предлагать конкурентные цены.
ELTC/L-15 промышленный термостат соответствует всем заявленным характеристикам и поставляется с официальной гарантией.
Для получения подробной консультации или оформления оптового заказа свяжитесь с нашими менеджерами по тел. +7 (7172) 69-66-18
